
PRODUCT CLASSIFICATION
产品分类TECHNICAL ARTICLES
相关文章





智能电梯改造传感器具备结构简单、无需接触、交直流电均可测量、动态电压范围大、频带宽、采集数据方便可靠等特点,因此其能够应用于不同品牌电梯的现场数据采集。
产品型号:AHKC-BS-H
产品地址:无锡市
更新时间:2025-10-15
浏览次数:331
立即咨询
联系电话:18702111076
| 产地 | 国产 | 测量对象 | 电量 |
|---|---|---|---|
| 售后保修期 | 24个月 |
智能电梯改造传感器利用铁磁材料与电流之间相互作用的原理来检测磁场的变化。当电流通过一个导体时,会在该导体两侧产生一定的电压,当导体处于磁场中时,这种现象会被放大。霍尔传感器通过测量这种电压的变化来检测所需要的信息。在电梯马达中,霍尔传感器能够检测电机磁场的变化,从而实现对电梯马达转速、位置和方向等参数的监测。

监测电梯马达转速:智能电梯改造传感器能够实时监测电梯马达的转速,确保电梯的运行速度在合理范围内。通过调整马达的转速,可以避免电梯运行过快或过慢带来的安全隐患;
确定电梯位置:霍尔传感器能够检测电梯导轨上的磁场变化,从而确定电梯的具体位置。这种位置检测方式精准可靠,有助于实现对电梯的精确控制;
监测电梯运行方向:根据电梯导轨上的磁场变化,霍尔传感器能够检测电梯的运行方向,确保电梯按照预设的方向进行运行;
监测电梯门状态:霍尔传感器还能够及时检测电梯门的状态,确保电梯门在乘客进出时自动开启和关闭,并在关门过程中发现障碍物时停止门的关闭,防止意外伤害。

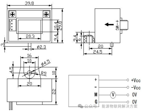
■ 错误的接线可能导致传感器损坏。
The false wiring may result in the damage of the sensor.
■ Ip方向与产品箭头方向一致时,输出电压为正极。
VOUT is positive when IP flows in the direction of the arrow.
■ 当初级导体完整充满初级孔径时动态表现(di/dt和响应时间)为最佳效果。
Dynamic performances (di/dt and response time) are best with a single bar completely filling the primary hole.
■ 初级导体的温度不应超过100℃。
Temperature of the primary conductor should not exceed 100°C.