
PRODUCT CLASSIFICATION
产品分类
更新时间:2025-01-06
浏览次数:610徐悦
安科瑞电气股份有限公司 上海嘉定 201801
随着全球对可再生能源的关注度日益提高,分布式光伏发电、风力发电等系统得到了广泛的应用。这些分布式能源系统不仅缓解了能源短缺问题,还有效减少了环境污染。然而,随着分布式电源的广泛部署,电力系统也面临着新的挑战,其中之一便是“孤岛"现象。


自动化程度高:防孤岛保护装置能够自动监测电网状态,一旦发现孤岛现象,就会立即启动保护措施,对电网进行隔离或切除。
精准性高:防孤岛保护装置能够精确识别孤岛现象,避免误切误隔,有效保护电网的稳定性和安全性。
可靠性高:防孤岛保护装置采用高质量的材料,能够保证长期稳定运行,减少故障发生率。
适应性强:防孤岛保护装置可以适应各种电网结构和负荷情况,能够灵活应对不同的电网运行情况。
操作简便:防孤岛保护装置操作简单,维护方便,能够减少电网运行成本。
防孤岛保护装置的功能
1.过流一段保护

当被保护线路或设备中的电流突然增大,超过预设的整定值时,保护装置会立即触发动作,切断故障电路。
2.过负荷保护

当系统中的电流超过设备的额定电流时,过负荷保护会触发动作,通常是通过切断电路或发出警报来实现。
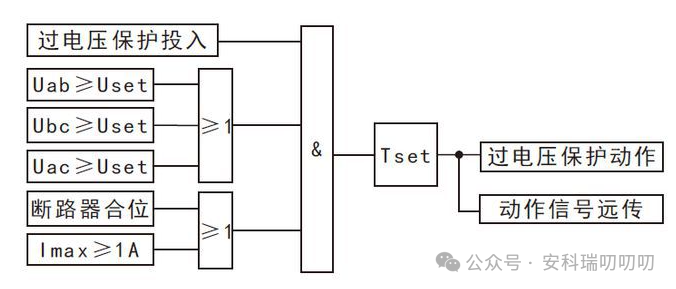
3.过电压保护

当电压超过预设的安全范围时,及时采取措施切断电路或发出警报,以防止设备损坏或系统崩溃。
PS:更多详细功能可联系我们,找安科瑞厂家直销,性价比高,质量可靠
结语
随着全球能源结构的转变和环保意识的提升,分布式能源系统,如太阳能、风能等可再生能源的发电系统,正在被越来越广泛地应用于日常生活中。这些新能源发电系统通常与电网并联运行,但在电网故障或停电时,可能会继续向局部电网供电,从而形成孤岛效应。因此,防孤岛保护装置作为保障新能源发电系统安全稳定运行的关键设备,其需求将不断增长。作为保障新能源发电系统安全稳定运行的关键设备之一,也将为新能源发电系统的广泛应用和可持续发展提供有力支撑。