
PRODUCT CLASSIFICATION
产品分类
更新时间:2025-04-23
浏览次数:461ANSNP系列中线安防保护器并联在含谐波负载的低压配电系统中,能够对动态变化的谐波电流进行快速实时的跟踪和补偿。中线安防保护器的基本原理为:通过电流检测环节采集系统中性线上过电流信息,经控制器快速计算并提取各次谐波电流的含量,产生谐波电流指令,通过功率执行器件产生与过电流幅值相等方向相反的补偿电流,并注入中性线,从而消除中性线中过大的电流。
02产品型号

注:例如50A的壁挂式ANSNP模块型号为ANSNP50-0.4/B。
03技术参数

04产品外观

图 1 ANSNP 模块机箱外观图

本设备为强迫风冷壁挂式设备。设备底面板为散热进风口,同时正面装配了液晶屏用于设备的近端人机交互;设备顶板为散热出风口,同时含有一次及二次线缆的接线端口。
设备顶板包含一次接线端子(三相四线制为 A/B/C/N/N、三相三线制为 A/B/C)以及电流互感器、配件供电、紧急停机、通讯)等二次接线端子。
2个N线端子在设备内部并联;当N线工作电流不大于额定相线电流时,仅需连接1根N线;当N线工作电流大于额定相线电流时,需连接2根N线;
注:三相四线制设备的A/B/C相线与N线严禁接反,接反后会引起相间短路,造成设备严重损坏。
05安装与接线
5.1 互感器接线
电流互感器适配范围支持100:5~10000:5,电流互感器线缆要求为:低烟、无卤、阻燃,2.5mm²。

图2电流互感器安装位置及单ANSNP电流互感器接线示意图

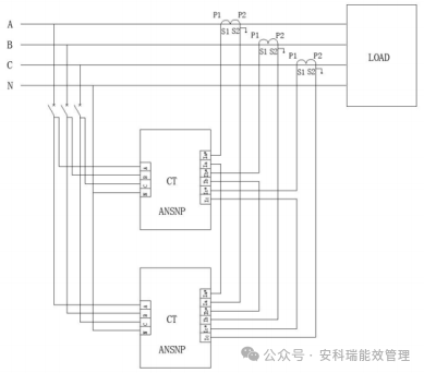
图3电流互感器安装位置及多ANSNP并联电流互感器接线示意图
注:
1)主回路接线应保证电网相序与中线安防保护器相序一致,否则中线安防保护器可能不能正常工作;
2)每只互感器的S1、S2与相应标号的端子对应,严禁二次侧开路。否则可能会引起互感器烧毁;3)
大于等于3台以上ANSNP模块并机时,A、B、C、N 接线和互感器接线参考图3中2台并机串联方法。
5.2 设备安装要求
壁挂式安装空间要求
壁挂模块安装时,模块从下方进风,向上排风。热量从下往上散发,模块上下出口至少要预留150mm 的进出风空间且安装位置与地面的距离要在1.5米以上,禁遮挡出风口。

图4壁挂式安装空间要求示意图
5.3 触摸显示屏
触摸屏及技术指标
壁挂式模块配备 7.0 寸彩色触摸屏。触摸屏与模块连接后,由模块通过通讯线给触摸
屏供 24V 电,无需外加电源。

触摸屏接口定义
设备含有一组供电电源接口,一组 DB9 型通讯接口,一组 USB 接口。

图 5 触摸屏外形图

图 6 串口引脚定义图


壁挂式安装(7.0 寸触摸屏自带) 壁挂式模块通常在墙壁上或者尺寸较小的柜体内,壁挂式模块会标准配置一对挂耳,如图所示。可在墙壁打Φ10 的孔,用 M8 的膨胀螺丝进行固定。壁挂式模块会配备 7.0 寸彩色触摸屏。用户通过触摸屏查看系统装置参数、进行参数设置以及装置的开关机操作。

图 6 触摸屏安装图