
PRODUCT CLASSIFICATION
产品分类
更新时间:2025-11-27
浏览次数:8

产品特点

产品参数


参考标准

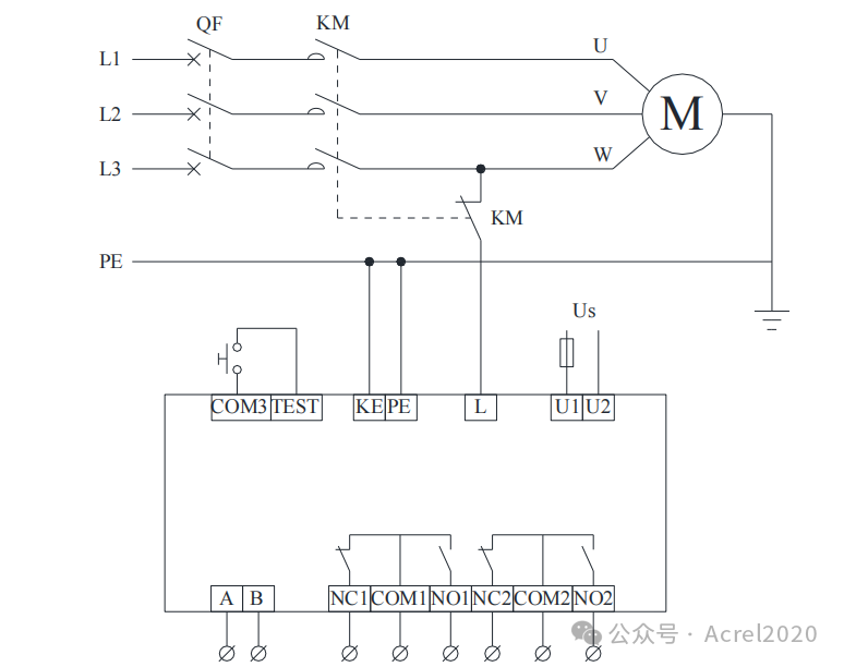
安装接线
AIM-OL 离线系统绝缘监测仪外形与安装尺寸如下图所示。(单位:mm)

AIM-OL 离线系统绝缘监测仪采用标准 35mm 导轨安装,安装示意如下图所示。


下排端子: A、B(15、16)端子分别为 RS485 通讯的 A、B 线接口,用于与上位机通讯;NC1、COM1、NO1(21、22、23)为报警继电器输出,NC2、COM2、NO2(24、25、26)为预警继电器输出,NC 为常闭接点,NO 为常开接点,COM 为公共接点。继电器输出可以外接蜂鸣器或者声光报警器,继电器为无源输出,需要外加电源。
接线示意:

