
PRODUCT CLASSIFICATION
产品分类
更新时间:2024-10-30
浏览次数:2971、概述
青岛海洋科技园位于青岛市黄岛区江山南路与规划珠江路交汇处,规划建筑面积约23万平方米。产业定位于应用型海洋科技研发、人工智能、工业互联网、IC 设计制造及装备研发。建设内容包含科研办公及配套设施、海洋科研实验室、海洋创新推动平台等,计划建设成为青岛应用型海洋科技资源的整合平台、海洋科技人才的聚集平台、海洋科技企业的孵化和成果转化平台、海洋科技服务业的培育和加速平台。
本次建设内容为:海洋科技产业园生产基地(一期)项目,位于山东省青岛市石寨山路以北,凤凰山路以东,包括1#生产厂房、2#生产厂房及3#生产厂房,总占地面积为53333.31平方米,总建筑面积81329.49㎡。
全厂共设置35kV变电所1座,区域变电所2座。35kV变电所内含35kV开关柜、35kV变压器铠装箱、10kV开关柜及0.4kV开关柜。区域变电所为装置楼一层独立区域,配置10kV开关柜、变压器及0.4kV低压柜。本项目采用35kV单电源进线,本变电站为主站,10kV1#分所、10kV2#分所电源引自本变电站。
本变电站35kV变压器容量为1X10000kVA,10kV变压器容量为2X800kVA,备用一台发电机1X800kW。所内安装35kV高压柜4面、10kV中压柜9面、10000kVA变压器1台、800kVA变压器2台、0.4kV低压柜16面、10kV电容柜1组、调度通信屏、主变保护屏、后台等1组,直流屏1组100Ah、10kV无功补偿共2700kvar、0.4kV无功补偿共480kvar。实际无功补偿后功率因数应达到0.95以上。若达不到,须增加补偿容量。

图1 青岛海洋科技园现场图
变电站综合自动化系统是指:通过执行规定功能来实现某一给定目标的一些相互关联单元的组合,变电站综合自动化系统是利用计算机技术、现代电子技术、通信技术和信息处理技术等实现对变电站二次设备的功能进行重新组合、优化设计,对变电站全部设备的运行情况执行监视、测量。
系统可分为三层结构:即现场设备层、网络通讯层和平台管理层。
现场设备层:包含微机保护、智能操控、多功能仪表、计量表等设备,用于采集站内配电柜内电气运行参数、开关状态、电气接点温度等数据,同时分别在35kV变电站和10kV变电所配置多套直流电源,保障现场设备良好的运行环境。
网络通讯层:包含ANet-2E8S智能网关。网关主动采集现场设备层设备的数据,并可进行规约转换,数据存储,分散10kV变电站通过数据采集箱(内置智能网关)采集数据通过光纤上传至通信室变电站综合自动化监控系统平台;同时网关充当远动通信装置,将现场设备数据采集后通过交换机经纵向加密数据加密后上传调度网。
平台管理层:变电站综合自动化监控系统平台、国网安徽省安庆电力调度控制中心平台。

本项目35kV变电所1座,区域变电所3座,35kV变电所为独立二层建筑物,其中一层为35kV开关室、35kV变压器室、10kV开关室,二层为10kV变压器及0.4kV开关室、通信室。区域变电所为装置楼一层独立区域,配置10kV开关柜、变压器及0.4kV低压柜。
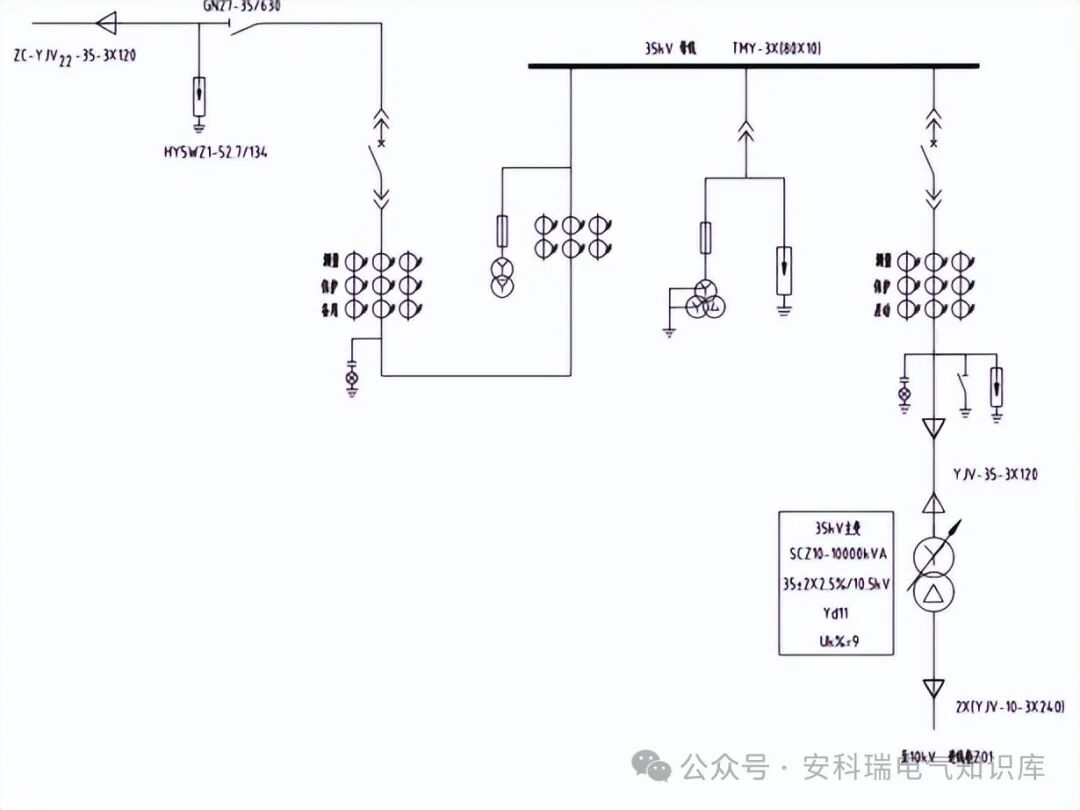
35kV变电所内35kV开关室一次系统图如图1所示,共有4面开关柜,分别为:1面进线柜、1面出线柜、1面计量柜、1面PT柜。

图3 35kV开关室一次系统图
35kV变电所内10k部分一次系统图如图4所示,共有9面开关柜、其中1面10kV进线柜、2面变压器出线柜、2面至分所的馈线柜、1面隔离柜、1面PT柜、1面计量柜、1面备用馈线柜。

图4 10kV开关室一次系统图

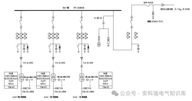
图5 1# 10kV变电所进线柜一次系统图

图6 2# 10kV变电所进线柜一次系统图
本次工程在35kV、10kV配电系统中配置微机保护装置,对每面35kV、10kV高压开关柜内配置开关状态操控装置,对电气量采集和对电气设备(如断路器)的状态监视、控制和调节,发生故障时,由微机保护装置完成瞬态电气量的采集、监视和控制,迅速切除故障设备和完成事故后的恢复操作。
在每面35kV、10kV高压变配电开关柜配置1台多功能电表,在35kV变电所计量柜处装有计量仪表,其中在35kV变电所安装负荷采集终端箱,收集计量点计量表的电能信息,用于远程监控及电量数据采集。
在35kV总变二次值班室配置1套DC220V/100AH柜式直流电源,各区域变电所在高压柜配置DC220V/50AH分布式直流电源,为整个变电站的断路器、二次设备及监控主机等重要设备运行提供稳定可靠的电源;配置一台时钟同步装置,实现变电站内所有微机保护装置、监控主机、规约转换装置、远动装置的时钟同步。
配置一套变电站综自自动化系统,通过规约转换装置采集站内主变温度巡检仪、主变档位变送器、直流屏数据,通过光纤组网与分散的各区域10kV变电所通信实现变电站综合自动化监控与管理;在二次值班室配置一面通讯屏、一面调度数据网屏,SDH型STM-4光传输设备1套,PTN接入层光传输设备1套,共同安装于光通信屏;48芯0DF、16单元DDF、4端口IAD,共同安装于通信配线屏,电网110kV姜家变电站安装:STM-4光接口板2块、GE光模块2个,安装于现运行SDH设备和PTN设备上。
24芯光纤配线单元箱1台,安装于现状姜家变电站通信配线柜内。通过专用通道点对点方式实现变电站与调度端通讯。调度数据网屏配置数据1台路由器、2台交换机、2台纵向加密装置。
变电站综合自动化系统中,多数子系统都是由微机构成的,都具有一定的故障诊断功能,这就使得变电站一、二次设备的可靠性得到了提高。
35kV/10kV 降压变压器回路采用整套主变保护装置集中组屏方式,配置主变保护屏。屏柜设立在电气监控室,屏柜上装设1台差动保护装置AM5SE-D2、1台高后备保护装置AM5SE-TB、1台低后备保护装置AM5SE-TB、1台高侧测控装置AM5SE-K、1台低侧测控装置AM5SE-K、1只变压器温控仪ARTM-8、1台档位变送器UP858-19AN及转换开关、压板、空气开关等其他控制设备。
差动保护装置:作为降压变压器内部及引出线短路故障的主保护,其作用是对变压器一侧的电流及电压进行监控,如发现问题,及时发出预警信息,动作后跳降压变压器高低两侧断路器,避免变压器发生故障;
高低后备保护装置:作为35kV侧/10kV侧的后备保护以及变压器的非电量保护,其作用是在前两个装置都无法正常运行的情况下,通过智能和人工的配合,来完成对整个变压器运行的监控和保护,动作后跳降压变压器高低两侧断路器,避免其出现故障,影响整个变电站的运行。
高低侧测控装置:用于监测35kV侧/10kV侧测量电流、测量电压;
变压器温控器:监测降压变压器内部绕组温度,将测量的数据反馈回控制系统进行分析,一旦出问题及时后台对变压器进行保护处理;
档位变送器:监测主变压器在工作中的接头位置,用于降压变压器档位测量及有载调压。
变电站综合自动化系统需采集设备有组屏保护7台、分散保护14台、仪表180台,数量共计201台,本地设备根据数据类型主要分为遥测、遥信两类数据,部分数据展示如下:
遥测量

遥信量

黄岛区以黄岛岛名命名,1979年1月,胶南县再度划归青岛市,同年从胶南县划出黄岛、辛安、薛家岛3处人民公社,设立青岛市黄岛区。1984年,青岛经济技术开发区成立。1990年12月,撤销胶南县,设立胶南市(县级市)。1992年11月,黄岛区境内设立青岛保税区。1993年,青岛经济技术开发区扩展到黄岛全区,两区体制合一。2012年9月,撤销黄岛区、县级胶南市,设立黄岛区。地方电网要求本项目数据两路上传,一路上传到黄岛区调度部分,另一路经黄岛区汇聚中心上传至青岛市平台,两路上传均采用双通道上传,整体方案冗余配置,确保调度上传的稳定性与可靠性。
本项目计量数据独立上传,数据网仅上传安全Ⅰ区数据,数据网及二次安防设备信息与清单如下:

表1 数据网及二次安防设备清单
3.3. 配置设备清单

表2 我司提供方案设备列表
3.4.现场应用图

图7 10kV 1#分所电气一次图

图8 10kV 1#分所现场实物图

图9 10kV 2#分所电气一次图

图10 10kV 2#分所现场实物图

图11 二次值班室室现场图
Acrel-1000变电站综合自动化系统人机界面友好,能够以配电一次图的形式直观显示配电线路的运行状态,实时监测各回路电压、电流、功率、功率因数等电参数信息,动态监视各配电回路断路器、隔离开关、地刀等合、分闸状态及有关故障、告警等信号。

图12 实时监测主界面图
在35kV变电站中主要关注的就是主变压器,主变压器独立界面分析,可以查看变压器基本信息(变压器型号、容量、调压方式、温度),也可以直接查看详细电参量,包括三相电流、三相电压、三相总有功功率、总无功功率、总功率因数、正向有功电能等,并可以查看24小时功率运行曲线。

图13 主变压器监测界面图
各分变电所独立监测界面,可以直接查看分变电所回路详细电参量与断路器开关状态,其中,10kV配电系统中监测的开关量主要有:断路器分、合闸信号,手车工作、试验位置信号,远方/就地切换位置信号、弹簧储能状态信号、接地刀合分信号、保护跳闸信号和事故预告信。


图14 分变电所监测界面图
根据监控系统实时数据库获取保护信息表,通过多排栏的形式展示单个设备间隔保护信号,监视各种设备运行状态,实现越限报警,供变电站集中监控系统运维人员维护,由监控人员使用。

图15 光字牌监测界面图
通过变电站综合自动化系统内各设备间相互交换信息,数据共享,实现变电站运行监视和控制,对实现电网调度自动化和运维管理现代化,提高电网的安全和可靠运行水平起到了很大的作用,因此用户变电站要进一步加强综合自动化系统水平,提高运维人员的技能,保证电网安全稳定运行。
作者介绍:
徐悦,安科瑞电气股份有限公司