
PRODUCT CLASSIFICATION
产品分类
更新时间:2025-03-24
浏览次数:551
针对分布式光伏政策提倡就地消纳,不允许并网,对于新上的分布式光伏需要设置防逆流管理,那我们应当在哪里监视呢?
分布式光伏发电系统的并网点,是指分布式光伏发电系统与电网的连接点,而该电网可能是公共电网,也可能是用户电网。
相信有不少朋友弄混光伏并网点,下面我们用一张图给大家讲解清楚!
如图所示,虚框为用户电网,该用户电网通过公共连接点C与电网相连。在用户电网内部,有两个分布式光伏发电系统,分别通过A点和B点与用户电网相连,A点和B点均为并网点,但不是公共连接点。在D点有分布式光伏发电系统直接与公共电网相连,D点是并网点,也是公共连接点。

安科瑞分布式光伏监控系统Acrel-1000DP结合防逆流保护装置AM5SE-IS,可实时监测市电下网电量,软件内设置防逆流控制策略,满足站点防逆流并网要求,防逆流保护装置内设置逆功率保护功能做双重保障。


根据 GB/T 50865 "当光伏发电系统设计为不可逆并网方式,应配置逆向功率保护设备。当检测到逆向电流超过额定输出的5%时,光伏发电系统应在2s内自动降低出力或停止向电网线路送电。"
防逆流保护装置目前有2款,可以根据应用场景来选择。
当并网点与逆流检测点距离较近时,选择AM5SE-IS防逆流保护装置。

防逆流保护装置AM5SE-IS
AM5SE-IS防逆流保护装置,具有:
逆功率跳闸、逆功率恢复合闸;
低功率跳闸、低功率恢复合闸。
下图为AM5SE-IS防逆流保护装置功能示意图:

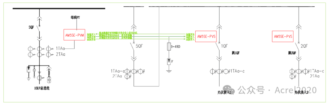
2)当并网点与逆流检测点距离较远时(200m以上时),选择AM5SE-PV系列主从机防逆流保护装置。

防逆流保护主机AM5SE-PVM

防逆流保护从机AM5SE-PVS
M5SE-PV系列防逆流保护装置,具有:
主从机方案四段低功率/低功率恢复合闸
主从机方案逆功率/逆功率恢复合闸
主机防孤岛保护、从机防孤岛保护
下图为AM5SE-PV主从机方案防逆流保护装置功能示意图:
若一路市电进线下带多个并网点,主机选用AM5SE-PVM、从机选用AM5SE-PVS(*多支持1主5从)。

若当市电进线为多路电源进线带1或多个并网点,主机选用AM5SE-PVM、从机选用AM5SE-PVS2(1个主机*多支持5个从机、1个从机*多接受4个主机)。
